VRLA蓄电池是阀控式密封铅酸蓄电池,英语全称是Valve Regulated Lead Acid Battery,电池内电解液处于不流动状态。
主要有两种方式:
一、采用超细玻璃纤维(AGM-Absorbed Glass MAT)吸附电解液,即常见的通用型电池,YD/T799 标准命名为GFM,厂商也有自己的命名;
二、采用胶体电解质(Gel),YD/T1360标准命名为GFMJ,厂商也有自己的命名。
这里不讲专业的电池物理原理,只是分享机房中电池应用相关知识。
补充说明:市场上还有一种常用胶体电池(采用AGM隔板),是AGM+GEL构成的,不是YD/T1360规定的胶体电池,选用时一定问清楚,这涉及到money和性能,真正意义上的胶体电池是采用微孔隔板或者PVC隔板。
参考标准:
YD/T 799-2010 通信用阀控式密封铅酸蓄电池
YD/T 1360-2005 通信用阀控式密封胶体蓄电池
阀控式密封铅酸蓄电池 Valve-regulated Lead acid battery
蓄电池正常使用时保持气密和液密状态。当内部气压超过预定值时,安全阀自动开启,释放气体。当内部气体降低后,安全阀自动闭合使其密封,防止外部空气进入蓄电池内部。蓄电池在使用寿命期间,正常使用情况下无需补加电解液。
AGM电池容量:基准温度25℃
C10:10小时率额定容量(Ah),放电终止电压1.8V,数值为1.00C10;
C3:3小时率额定容量(Ah),放电终止电压1.8V,数值为0.75C10;
C1:1小时率额定容量(Ah),放电终止电压1.75V,数值为0.55C10。
Gel电池容量:基准温度25℃
C10:10小时率额定容量(Ah),放电终止电压1.8V,数值为1.00C10;
C5:5小时率额定容量(Ah),放电终止电压1.8V,数值为0.85C10;
C3:3小时率额定容量(Ah),放电终止电压1.8V,数值为0.75C10;
C1:1小时率额定容量(Ah),放电终止电压1.8V,数值为0.50C10。
AGM电池标准规定寿命:
Gel电池标准规定寿命:
注:管式基板式胶体电池称为OPzV,AGM电池是涂膏式极板
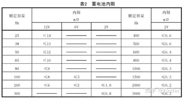
AGM电池内阻:
Gel电池内阻:
以奥冠电池型号6-GFM-100和6-GFMJ-100(都是100AH/12V)举例:
总体:
1. 两种电池都是以10小时率标称额定容量;
2. AGM电池内阻小于Gel电池内阻,大电流特性更优,但其实Gel电池大电流特性也很好;
3. Gel电池循环寿命长于AGM电池,在机房应用中电池寿命影响再投资成本;
4. 两者的单体放电功率是不同的。
当然市场竞争促进厂商都在标准的基础上,进一步优化,促使Gel电池的优点更为突出,价格也高于AGM电池,但是AGM电池低投资成本促使其在机房市场中占比仍然很高。




